Уважаемые партнеры!
Мы предлагаем уникальную возможность закупить оригинальные карданные валы, которые поставляются на заводы-изготовители спецтехники, по минимальной оптовой цене!
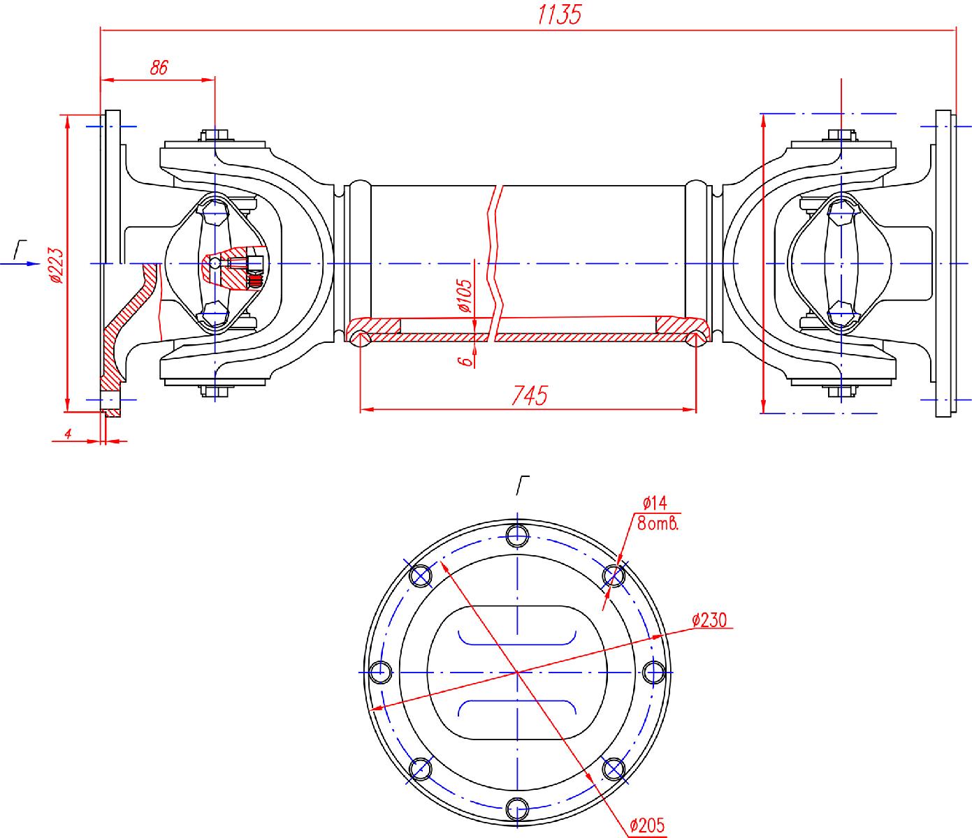
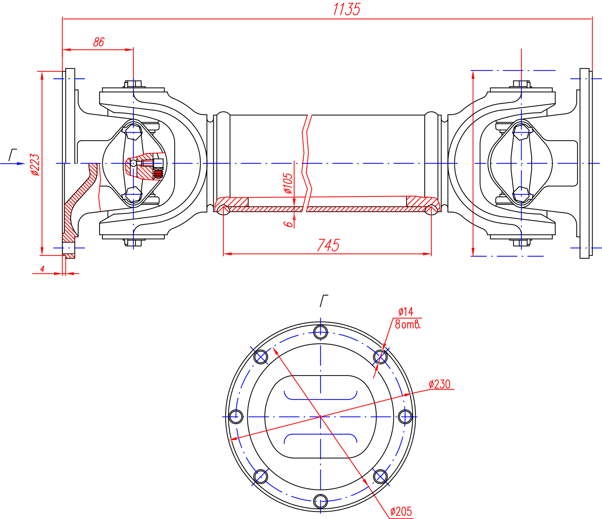
Вал карданный 81-4250010-80 (Промтрактор. привода гидротрансформатора бульдозера Четра ТГ-511) - 1113.79 бел.руб. / 30423 рос.руб.
Почему стоит купить сейчас?
✅ Оригинальные запчасти – прямые поставки на заводы-изготовители
✅ Цена без наценок – реализация по фактической стоимости производства
✅ Оригинальное качество – все детали в наличии, готовы к отгрузке.
Количество ограничено! Успейте забронировать нужные позиции, пока они не закончились.
Как оформить заказ?
Напишите нам письмо-запрос на адрес
market@belcard-grodno.by
Или позвоните по телефону: +375(152)528-393.
Спешите – предложение действует до полного выкупа остатков!
